+15 fotó
Hirdetéskód: 8870671
Referenciaszám: M321356
Frissítve: 4 napja
Tiszasüly eladó családi ház 3 szobás: 12 millió Ft
12 millió Ft
142,9 ezer Ft/m² *
* A m² árat a hirdető adta meg.
84 m²
1481 m²
3 szoba
Leírás
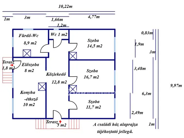
Jász-Nagykun Szolnok vármegye, Tiszasüly, főút mellett 84 m2 nagyságú családi ház, 22 m2 melléképülettel 1481 m2-es telken eladó! Az 1980-as években épült családi ház beton alapon tégla falazattal, stukatoros fa födémmel és fa tetőszerkezeten égetett cserepezéssel készült, körben csatornával ellátott, homlokzata átlagos állapotú. Az ingatlan három szobából, egy konyha- étkezőből, egy előszobából, egy közlekedőből, egy fürdőszoba-WC helyiségből, egy különnyíló WC-helyiségből és a két bejárat elé épített teraszokból áll. A belső helyiségek padlószőnyeg- és járólap borítást kaptak. A telken egy beton alapon tégla falazatú és fa födémen hullámpala borítású 22 m2 nagyságú tároló is felépítésre került. A főépületben a közművekből a vezetékes víz-, a háromfázisú (3x16 Amper) villany-, valamint a gáz-ellátás telken belül, csatorna az utcában megtalálható. A házban a kombi gázkazán, a hőleadó radiátorok, a víz-csaptelepek, WC-tartályok leszerelésre kerültek, a villanykapcsolók, kismegszakítók és a vezetékek, gázvezeték- és szennyvíz-kiállások a helyükön vannak. Az aljzat és a fali burkolatok jó állapotúak. Az ingatlan a sorolt hiányosságok pótlásával, valamint egy egészségügyi meszeléssel gyorsan lakhatóvá tehető. Az épület egyéb gyors fűthetőségéhez négy falazott kéménnyel is rendelkezik. Az ingatlan oldalhatáron áll, előkerttel épült, a főút mellett kis forgalmú csendes, nyugodt környezetben helyezkedik el. Az aszfaltozott utcára a gépjárművek behajtására alkalmas kapubejáró van. A lakóház a Tisza szomszédságában helyezkedik el, a közelben pár száz méteren belül településközpont elérhető. Az ingatlan jogilag rendezett, tehermentes, kiürített. Birtokba adás a kifizetést követően azonnal lehetséges. A hirdetés tájékoztató jellegű, az ingatlanról pontos adatokat a megtekintést követően a tulajdonos által elmondottak alapján tudunk garantálni! A vásárlás finanszírozásában az OTP kedvezőbb kamatozású hitelkonstrukcióival, egyéb banki termékek lehetőségével tudunk segíteni, díjmentesen, sorban állás nélkül! Az adásvételi szerződés lebonyolításához korrekt ügyvédi közreműködést tudunk ajánlani. Amennyiben felkeltettem érdeklődését, hívjon bizalommal! Eladó ingatlanokat keresünk meglévő és külföldi partnereink számára!
Tulajdonságok
Családi ház
1
Átlagos
Nincs fűtés
1985
6 m²
Nem adta meg a hirdető
Vedd fel a kapcsolatot a hirdetővel

+36 70 374 2
Hitelkalkulátor
Második évtől
51 643 Ft A 13. hónaptól
7,99%
Végig fix Futamidő: 20 év Banki visszahívás
Az OTP Bank munkatársai a neked megfelelő napszakban veszik fel veled a kapcsolatot. A becslés a hirdető által megadott adatokon alapul. A jelen tájékoztatás nem minősül ajánlattételnek és nem teljes körű, az egyes feltételek a hitelbírálat eredményétől függően változhatnak. Kérjük, a részletekről tájékozódj az OTP Bank fiókjaiban vagy az OTP Bank honlapján közzétett vonatkozó Üzletszabályzatokból és Hirdetményekből.
Vedd fel a kapcsolatot a hirdetővel

+36 70 374 2
Vedd fel a kapcsolatot a hirdetővel

+36 70 374 2
UI_KIT.CHARACTER_COUNTER__COMPONENT.ACTUAL_CHARACTER__SR_ONLY UI_KIT.CHARACTER_COUNTER__COMPONENT.MAXIMUM_CHARACTER__SR_ONLY
Hasonló eladó ingatlanok Tiszasülyön
Feltöltve: 1 éve
1
13 millió Ft 162,5 ezer Ft/m²
Eladó családi ház, Tiszasüly
Frissítve: 1 éve
12
12,5 millió Ft 250 ezer Ft/m²
Eladó családi ház, Tiszasüly
Frissítve: 8 napja
16
10,9 millió Ft 136,3 ezer Ft/m²
Eladó családi ház, Tiszasüly


Fedezd fel a
hasonló házakat!Még további házak Jász-Nagykun-Szolnok megyében 12 M Ft körüli értékben
Tovább a hirdetésekhez Feltöltve: 2 hónapja
11
12,5 millió Ft 171,2 ezer Ft/m²
Eladó családi ház, Tiszasüly
Feltöltve: 1 hónapja
12
11,5 millió Ft 127,8 ezer Ft/m²
Eladó családi ház, Tiszasüly
Frissítve: 26 napja
18
12 millió Ft 142,9 ezer Ft/m²
Eladó családi ház, Tiszasüly

