+17 fotó
Hirdetéskód: 8933630
Referenciaszám: M320196-5177334
Feltöltve: ma
Kecskemét eladó családi ház 4 szobás: 78 millió Ft
78 millió Ft
614 173 Ft/m²
127 m²
342 m²
4 szoba
Eladó Ház, Kecskemét
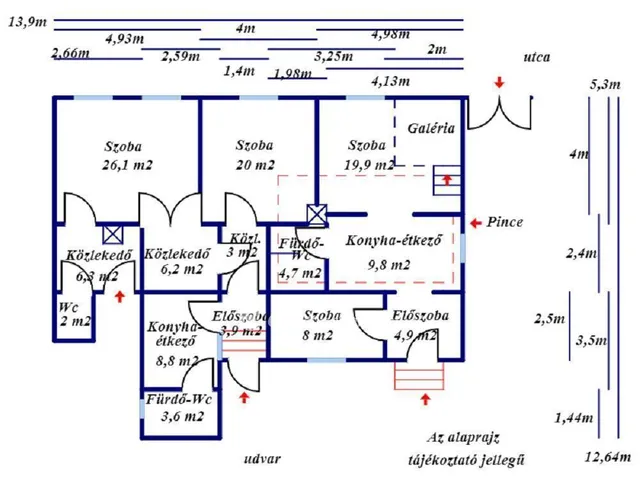
Bács-Kiskun vármegye, Kecskemét, Belvárosban 127 m2 hasznos alapterületű családi ház 342 m2 telken eladó. Az ingatlan a város központjában, csendes aszfaltozott utcában található. A családi ház jelenleg három külön bejáratú, két önálló lakórészből áll. Az első 47,3 m2-es lakrészben két szoba, egy galéria, egy konyha-étkező, egy fürdőszoba-WC-helyiség és egy előszoba található. A második 80 m2-es lakrész két szobából, egy konyhából, egy fürdőszoba-WC-ből, három közlekedőből, egy előszobából és egy különálló WC-helyiségből áll. Az ingatlanhoz tartozik még egy több egységből álló, tárolásra alkalmas melléképület. A tégla falazatú összkomfortos nagypolgári ház az 1900-as évek közepén épült, stukatoros fa födémmel, fa tetőszerkezettel, valamint égetett cserép héjazattal készült. Nyílászárói részben normál állapotú fa, illetve újracserélt műanyagból készültek, a belső nyílászárók egy része felújításra szorul. Az épület homlokzata kiváló állapotú, felújított. A háznak két falazott és három szerelt kéménye van, melyből több kémény is gáz-béléscsővel rendelkezik. A helyiségek járólappal, laminált padlóval, parkettával, hajópadlóval, PVC-vel, valamint padlószőnyeggel burkoltak. A konyhák és a fürdő-WC helyiségek felújításon estek át. Az otthon melegét és melegvíz ellátását lakrészenként víz-átfolyós gázbojler, a fűtést gázkonvektor és gázkazán biztosítja radiátoros hőleadással, emellett vegyestüzelésű bekötési lehetőség is rendelkezésre áll. Az ingatlan összközműves: lakrészenként a vezetékes víz, szennyvíz csatorna, egyfázisú villany és gáz az épületen belül rendelkezésre áll. Mérőórák szerint a villany és a gáz lakásonként külön mérhető. Az udvar részben parkosított, körben bekerített, gépjárművek beállására kapubejáró biztosított. A családi ház kialakítása miatt ideális lehet többgenerációs lakhatásra, három külön bejáratú lakás bérbe adására, 7 egységből álló rendelővé, irodává, egyéb szolgáltatóházzá való átalakításra egyaránt. Az udvari mellékhelyiségek lebontásával 5 gépjármű parkolása is megoldhatóvá válik. A vásárlás finanszírozásában az OTP kedvezőbb kamatozású hitelkonstrukcióival, CSOK Plusz lehetőségével tudunk segíteni. Az adásvételi szerződés lebonyolításához korrekt ügyvédi közreműködést tudunk ajánlani. Amennyiben felkeltettem érdeklődését, hívjon bizalommal! Eladó ingatlanokat keresünk hazai, illetve külföldi partnereink számára.
Tulajdonságok
Családi ház
Átlagos
Gázkazán
1940
Nem adta meg a hirdető
Vedd fel a kapcsolatot a hirdetővel
+36 20 258 5
Hitelkalkulátor
Második évtől
335 676 Ft A 13. hónaptól
7,99%
Végig fix Futamidő: 20 év Banki visszahívás
Az OTP Bank munkatársai a neked megfelelő napszakban veszik fel veled a kapcsolatot. A becslés a hirdető által megadott adatokon alapul. A jelen tájékoztatás nem minősül ajánlattételnek és nem teljes körű, az egyes feltételek a hitelbírálat eredményétől függően változhatnak. Kérjük, a részletekről tájékozódj az OTP Bank fiókjaiban vagy az OTP Bank honlapján közzétett vonatkozó Üzletszabályzatokból és Hirdetményekből.
Vedd fel a kapcsolatot a hirdetővel
+36 20 258 5
Vedd fel a kapcsolatot a hirdetővel
+36 20 258 5
UI_KIT.CHARACTER_COUNTER__COMPONENT.ACTUAL_CHARACTER__SR_ONLY UI_KIT.CHARACTER_COUNTER__COMPONENT.MAXIMUM_CHARACTER__SR_ONLY
Hasonló eladó ingatlanok Kecskeméten
Frissítve: ma
4
81,6 M Ft 906 667 Ft/m²
Eladó családi ház, Kecskemét

Frissítve: ma
8
72 M Ft 960 000 Ft/m²
Eladó családi ház, Kecskemét

Frissítve: ma
10
79,9 M Ft 682 906 Ft/m²
Eladó családi ház, Kecskemét


Fedezd fel a
hasonló házakat!Még további házak Kecskeméten 78 M Ft körüli értékben
Tovább a hirdetésekhez Frissítve: 26 napja
3
74,5 M Ft 931 250 Ft/m²
Eladó családi ház, Kecskemét

Frissítve: ma
2
81,6 M Ft 906 667 Ft/m²
Eladó családi ház, Kecskemét

Frissítve: 26 napja
20
74,9 M Ft 796 809 Ft/m²
Eladó családi ház, Kecskemét


